無菌吸塑包裝的剝離強度也是驗證無菌包裝的標準之一,良好的剝離強度首先保障了密封強度,其次方便使用者使用時開封過程。YY 0875-2013中指出了吸塑盒無菌包裝剝離強度性能試驗方法,下面一起了解一下。
1 定義
1.1 剝離強度:是指單位長度的剝離力。
2 設備要求
2.1 設備所需要電源電壓:220V±22V:電源頻率:50Hz±0.5Hz。
2.2 設備的計量單位:“N/mm(牛頓/毫米)”。
2.3 采用5kg傳感器。
3 試驗材料
3.1 樣品
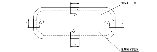
為采用吸塑盒和透析紙進行密封封裝的滅菌包裝盒。
3.2 取樣
在每只滅菌包裝封口四邊各取長度L 為25.4mm±0.5mm 的樣品。取樣位置見圖 D.1:
圖 1 取樣示意圖
4 試驗方法
4.1 將樣品夾緊在設備的夾具上。
4.2 試驗速度調到127mm/min。
4.3 所有的讀數清零,沒有任何拉力在需測試的樣品上。
4.4 用自動控制將測頭拉升,直到測試樣品的吸塑盒和透析紙分開。
4.5 記錄拉力的最大值。
5 試驗報告
5.1 標識試驗樣品的來源,記錄樣品批號。
5.2 報告包裝封口剝離強度和剝離后兩接觸表面的狀態。